一、技术参数
产品性能符合标准GB20840.2-2014
额定绝缘水平12/42/75kV
额定频率50Hz或6OHz
额定二次电流:5A或1A
环境温度:-35℃+40℃
二次绕组可抽头,得到不同变比
Product performance in line with the standard GB20840.2-2014
Rated insulation level 12/42/75kV
Rated frequency 50Hz or 60Hz
Rated secondary current: 5A or 1A
Ambient temperature: -35℃+40 ℃
The secondary winding can be tapped to obtain different ratios
|
额定一次电流 (A)
Rated primary current
|
准确级次组合
Class combination
|
准确级及额定输出(VA)
COSΦ=0.8 Accuravy class and relativerated output
|
短时热电流 (kA/S)
Short-time thermal current
|
额定动稳定电流 (kA)
Rated dynamic current
|
重量(kg)
weight
|
|
0.2(S)
|
0.2(S)
|
10P10
|
10P15
|
10P15
|
|
5-200
|
0.2(S)/10P 0.2(S)/5P 0.2S/0.5 0.5(S)/10P 0.5(S)/5P 0.2S/0.5/10P 0.2S/0.5/5P
|
10
|
10
|
15
|
15
|
15
|
100l1n
|
250l1n
|
14
|
|
300
|
31.5
|
80
|
|
400
|
45
|
112.5
|
|
500-600
|
63
|
130
|
|
800
|
10
|
15
|
20
|
80
|
160
|
|
1000-1250
|
|
1500-3000
|
100
|
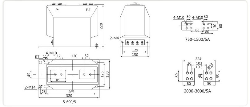
二、外形及安装尺寸