BH-0.66国产视频一区在线是一种用于测量电流的电气设备。它通常用于低压配电系统中,将大电流转换为小电流,以便于测量和保护设备的使用。该型号的国产视频一区在线具有以下一些特点和功能:
1、精度较高,能够准确测量电流值。
2、绝缘性能好,保证了使用的安全性。
3、安装方便,适用于各种安装环境。








一、概述
BH-0.66国产视频一区在线是一种用于测量电流的电气设备。它通常用于低压配电系统中,将大电流转换为小电流,以便于测量和保护设备的使用。 该型号的国产视频一区在线具有以下一些特点和功能:
1、精度较高,能够准确测量电流值。
2、绝缘性能好,保证了使用的安全性。
3、安装方便,适用于各种安装环境。
总的来说,BH-0.66国产视频一区在线在电力系统中起着重要的作用,能够为电力监测、保护和控制提供可靠的电流信号。
二、型号含义
三、技术参数
|
型号 Type |
额定电压比(V) Rated voltageratio |
额定二次输出(VA) Rated secondary |
穿心匝数 Cross-coreturn number |
备注 Notes |
|||
| 1级 | 0.5级 | 0.5级S | 0.2(S)级 | ||||
| BH-0.66 I(实心Solid) | 5/5 | 5 | 2.5 | / | / | / | 图1 Figure 1 |
| 10/5 | 5 | 2.5 | / | / | / | ||
| 15/5 | 5 | 2.5 | / | / | / | ||
| 20/5 | 5 | 2.5 | / | / | / | ||
| 25/5 | 5 | 2.5 | / | / | / | ||
| 30/5 | 5 | 2.5 | / | / | / | ||
| 40/5 | 5 | 2.5 | / | / | / | ||
| 75/5 | 5 | 2.5 | / | / | / | ||
| BH-0.66 30 I B | 30/5 | 5 | 2.5 | / | / | 5 |
图2 Figure 2 |
| 40/5 | 5 | 2.5 | / | / | 3 | ||
| 75/5 | 5 | 2.5 | / | / | 2 | ||
| 75/5 | 2.5 | / | / | / | 1 | ||
| 100/5 | 2.5 | / | / | / | 1 | ||
| 100/5 | 5 | 5 | / | / | 2 | ||
| 150/5 | 5 | 2.5 | / | / | 1 | ||
| 200/5 | 5 | 5 | / | / | 1 | ||
| 250/5 | 5 | 5 | / | / | 1 | ||
| 300/5 | 5 | 5 | / | / | 1 | ||
| 400/5 | 5 | 5 | / | / | 1 | ||
| BH-0.66 30 I B | 30/5 | / | / | 2.5 | 2.5 | 5 | 图3 Figure 3 |
| 50/5 | / | / | 2.5 | 2.5 | 3 | ||
| 75/5 | / | / | 2.5 | 2.5 | 2 | ||
| 75/5 | 5 | 2.5 | / | / | 1 | ||
| 100/5 | 5 | 2.5 | / | / | 1 | ||
| 100/5 | / | / | 5 | 5 | 2 | ||
| 150/5 | / | / | 2.5 | 2.5 | 1 | ||
| 200/5 | / | / | 5 | 5 | 1 | ||
| 250/5 | / | / | 5 | 5 | 1 | ||
| 300/5 | / | / | 5 | 5 | 1 | ||
| BH-0.66 40 I | 30/5 | 5 | 2.5 | / | / | 5 | 图4 Figure 4 |
| 50/5 | 5 | 2.5 | / | / | 3 | ||
| 75/5 | 5 | 2.5 | / | / | 2 | ||
| 75/5 | 2.5 | / | / | / | 1 | ||
| 100/5 | 2.5 | / | / | / | 1 | ||
| 100/5 | 5 | 5 | / | / | 2 | ||
| 150/5 | 5 | 2.5 | / | / | 1 | ||
| 200/5 | 5 | 5 | / | / | 1 | ||
| 250/5 | 5 | 5 | / | / | 1 | ||
| 300/5 | 5 | 5 | / | / | 1 | ||
| 400/5 | 5 | 5 | / | / | 1 | ||
| 500/5 | 10 | 10 | 5 | 5 | 1 | ||
| 600/5 | 10 | 10 | 5 | 5 | 1 | ||
| BH-0.66 50 I | 150/5 | 2.5 | / | / | / | 1 | 图5 Figure 5 |
| 200/5 | 5 | 2.5 | / | / | 1 | ||
| 250/5 | 5 | 5 | / | / | 1 | ||
| 300/5 | 5 | 5 | / | / | 1 | ||
| 400/5 | 5 | 5 | / | / | 1 | ||
| 500/5 | 10 | 10 | 5 | 5 | 1 | ||
| 600/5 | 10 | 10 | 5 | 5 | 1 | ||
| BH-0.66 6o I | 250/5 | 5 | 5 | / | / | 1 | 图6 Figure 6 |
| 300/5 | 5 | 5 | / | / | 1 | ||
| 400/5 | 5 | 5 | / | / | 1 | ||
| 500/5 | 10 | 10 | 5 | 5 | 1 | ||
| 600/5 | 10 | 10 | 5 | 5 | 1 | ||
| 750/5 | 10 | 10 | 10 | 10 | 1 | ||
| 800/5 | 10 | 10 | 10 | 10 | 1 | ||
| 1000/5 | 10 | 10 | 10 | 10 | 1 | ||
| 1200/5 | 20 | 20 | 20 | 20 | 1 | ||
| 1500/5 | 20 | 20 | 20 | 20 | 1 | ||
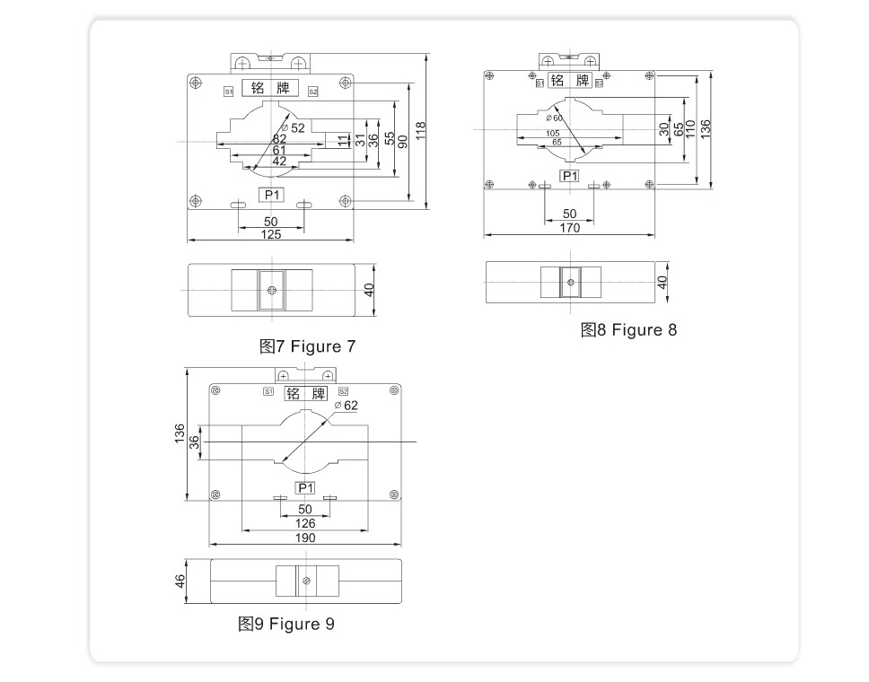
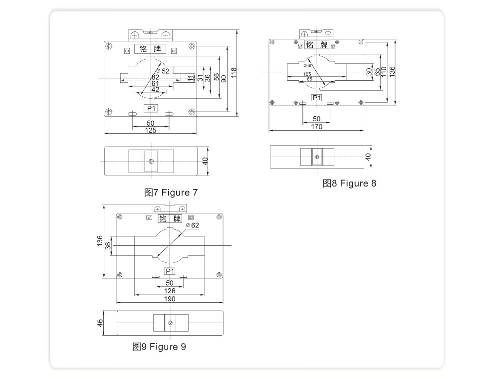
| BH-0.66 80 I | 300/5 | 5 | 5 | / | / | 1 | 图7 Figure 7 |
| 400/5 | 5 | 5 | / | / | 1 | ||
| 500/5 | 10 | 10 | / | / | 1 | ||
| 600/5 | 10 | 10 | / | / | 1 | ||
| 750/5 | 10 | 10 | 10 | 10 | 1 | ||
| 800/5 | 10 | 10 | 10 | 10 | 1 | ||
| 1000/5 | 10 | 10 | 10 | 10 | 1 | ||
| 1200/5 | 20 | 20 | 20 | 20 | 1 | ||
| 1500/5 | 20 | 20 | 20 | 20 | 1 | ||
| 2000/5 | 20 | 20 | 20 | 20 | 1 | ||
| BH-0.66 100 I | 600/5 | 10 | 10 | 10 | 10 | 1 | 图8 Figure 8 |
| 750/5 | 10 | 10 | 10 | 10 | 1 | ||
| 800/5 | 10 | 10 | 10 | 10 | 1 | ||
| 1000/5 | 10 | 10 | 10 | 10 | 1 | ||
| 1200/5 | 20 | 20 | 20 | 20 | 1 | ||
| 1500/5 | 20 | 20 | 20 | 20 | 1 | ||
| 2000/5 | 20 | 20 | 20 | 20 | 1 | ||
| 2500/5 | 40 | 40 | 40 | 40 | 1 | ||
| BH-0.66 120 I | 1000/5 | 10 | 10 | 10 | 10 | 1 | 图9 Figure 9 |
| 1200/5 | 20 | 20 | 20 | 20 | 1 | ||
| 1500/5 | 20 | 20 | 20 | 20 | 1 | ||
| 2000/5 | 20 | 20 | 20 | 20 | 1 | ||
| 2500/5 | 40 | 40 | 40 | 40 | 1 | ||
| 3000/5 | 40 | 40 | 40 | 40 | 1 | ||
| 4000/5 | 40 | 40 | 40 | 40 | 1 | ||
四、外形机安装尺寸

