一、技术参数
本系列国产视频一区在线适用于户内。额定频率50Hz或60Hz、额定电压35RV及以下的小接地电流系统中供三相电缆接地保护用,也可与继电保护配套使用。
安装时可将互感器分为两半,然后合并为一体,用抱箍抱紧卡住。可以在不停电状态下进行安装。
产品仅开合二次绕组的绝缘性能,二次绕组对地耐压为3V一分钟。
|
LXK-Φ4(80、120)型技术参数1:零序保护使用
|
|
变比(A)
|
继电器型号
|
整定电流(继电器绕组并联)(A)
|
继电器刻度
|
使继电器动作的一次剩余电流(A)
|
重量(kg)
|
|
60/ 1
|
DD-11/60
|
串联
|
15×1
|
2.4-4.5
|
4.5
|
|
30×1
|
|
串联
|
15×2
|
3-5
|
|
30×2
|
|
DD-1/60
|
串联
|
15×1
|
3-5
|
|
30×1
|
|
并联
|
15×2
|
3-6
|
|
30×2
|
|
LXK-Φ(80、120)型技术参数:配微机保护使用
|
|
变比(A)
|
准确级
|
准确级(VA)
|
|
60/1
|
10P10
|
1.0
|
|
75/1
|
1.5
|
|
100/1
|
2.5
|
|
150/1
|
2.5
|
|
200/1
|
3.75
|
|
300/1
|
7.5
|
|
150/1
|
2.2
|
|
200/1
|
2.5
|
|
300/1
|
5
|
|
400/1
|
10
|
|
500/1
|
12.5
|
|
600/1
|
15
|
|
LXK-Φ(80、120、140、160、200、240)型技术参数
|
|
型号
|
出线端标志
|
额定电流比(A)
|
准确级
|
额定输出(VA)
|
继电器型号
|
使继电器动作的一次剩余电流(A)
|
重量(kg)
|
|
LXK-Φ120
|
S1-S2
|
150/5
|
10P6
|
15
|
DD-11/60
|
3-6
|
14
|
|
S1-S3
|
200/5
|
10P8
|
|
S1-S4
|
300/5
|
10P12
|
|
LXK-Φ150
|
S1-S2
|
150/5
|
10P6
|
15
|
18
|
|
S1-S3
|
200/5
|
10P8
|
|
S1-S4
|
300/5
|
10P12
|
|
LXK-Φ180
|
S1-S2
|
150/5
|
10P6
|
15
|
29
|
|
LXK-Φ200
|
S1-S3
|
200/5
|
10P8
|
|
LXK-Φ240
|
S1-S4
|
300/5
|
10P12
|
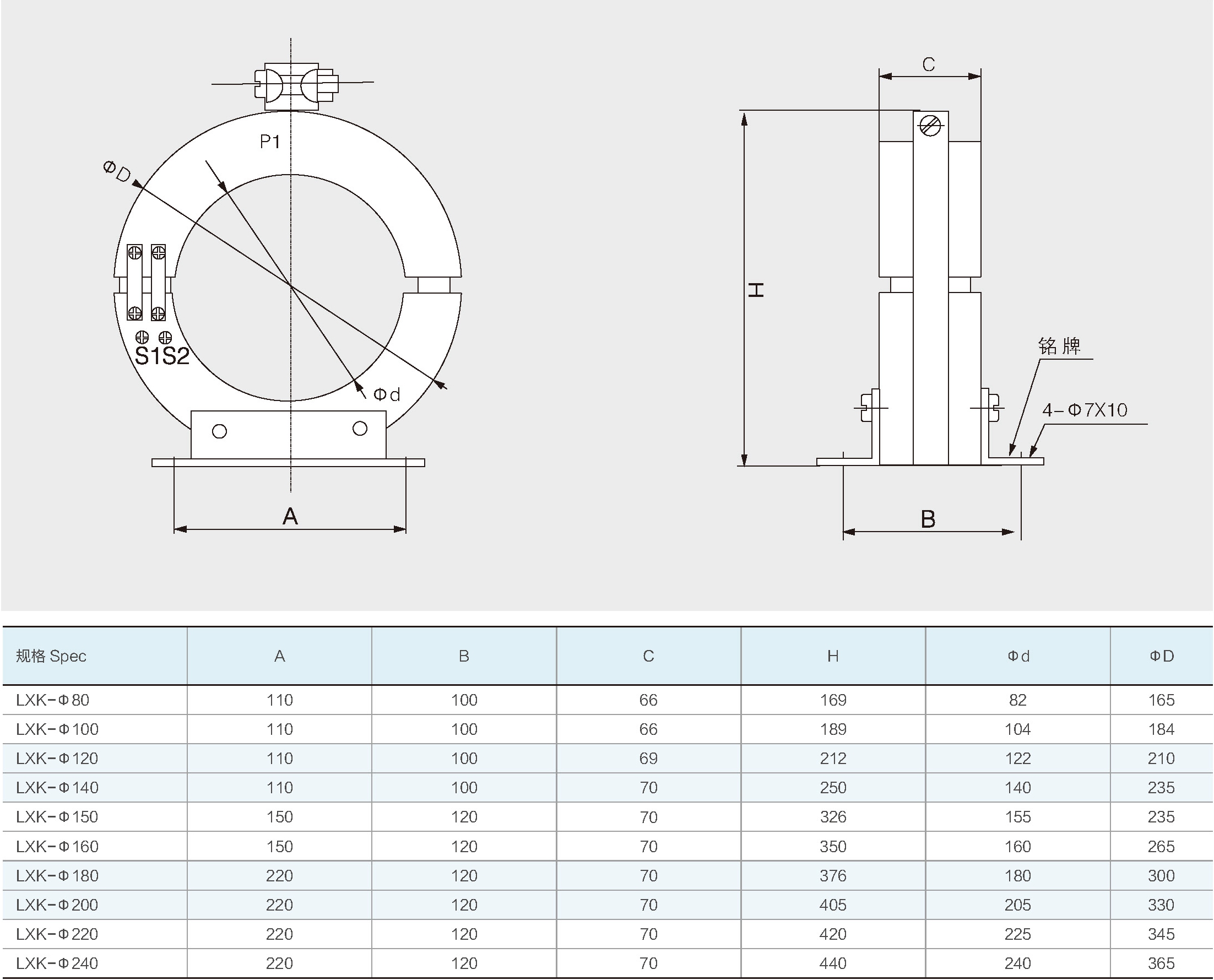
二、规格尺寸图
|
规格Spec
|
A
|
B
|
C
|
H
|
Φd
|
ΦD
|
|
LXK-Φ80
|
110
|
100
|
66
|
169
|
82
|
165
|
|
LXK-Φ100
|
110
|
100
|
66
|
189
|
104
|
184
|
|
LXK-Φ120
|
110
|
100
|
69
|
212
|
122
|
210
|
|
LXK-Φ140
|
110
|
100
|
70
|
250
|
140
|
235
|
|
LXK-Φ150
|
150
|
120
|
70
|
326
|
155
|
235
|
|
LXK-Φ160
|
150
|
120
|
70
|
350
|
160
|
265
|
|
LXK-Φ180
|
220
|
120
|
70
|
376
|
180
|
300
|
|
LXK-Φ200
|
220
|
120
|
70
|
405
|
205
|
330
|
|
LXK-Φ220
|
220
|
120
|
70
|
420
|
225
|
345
|
|
LXK-Φ240
|
220
|
120
|
70
|
440
|
240
|
365
|