一、零序列互感器LJ-1、2、4、7技术参数
额定频率:50Hz或60Hz
用于额定电压35kV及以下的小接地电流系统中供电缆接地保护用
本型国产视频一区在线配套使用的继电器型号为DL-11/0.
本型零序国产视频一区在线一次主绝缘由电缆保证,产品开合二次绕组的绝缘性能,二次绕组对地耐压为3kV-分钟
|
型号
|
变比(A)
|
二次负荷(W)
|
继电器型号
|
整定电流(继电器绕组并联)(A)
|
使继电器动作的一次剩余电流(A)
|
二次回路中不平衡电压(mV)
|
重量(kg)
|
|
LJ-1
|
20/1
|
10
|
DD-11/60
|
0.03
|
1-3
|
40
|
2.3
|
|
LJ-2
|
25/1
|
40
|
16
|
|
LJ-4
|
30/1
|
40
|
28
|
|
LJ-7
|
35/1
|
30
|
32
|
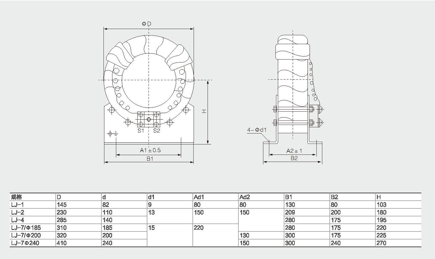
二、规格尺寸图
|
规格
|
D
|
d
|
d1
|
Ad1
|
Ad2
|
B1
|
B2
|
H
|
|
LJ-1
|
145
|
82
|
9
|
80
|
80
|
130
|
80
|
103
|
|
LJ-2
|
230
|
110
|
13
|
150
|
150
|
209
|
200
|
180
|
|
LJ-4
|
285
|
140
|
280
|
175
|
195
|
|
LJ-7/Φ185
|
310
|
185
|
15
|
220
|
280
|
175
|
220
|
|
LJ-7/Φ200
|
320
|
200
|
130
|
300
|
175
|
220
|
|
LJ-7/Φ240
|
410
|
240
|
150
|
300
|
240
|
270
|